MADMAX(ZIFキャリア)も手を加えよー
2002.04.13初出
▼はじめに
改造は自己責任でお願いします。とりあえずこの頁は、『こんなことしたぞ』っていう私個人用の覚え書きってことで。間違いがあっても責任持ちません。
▼あらすじ
先日、ジャンク扱いのZIFキャリアカードを入手しました(カードだけ)。S/Nのシールから判断するに、センチュリー(あえて秋○館とは書かず)のMADMAXのようです。PowerLeap PL-G3と同じ代物ですね(微妙に違うけど)。FSBやらBusClockIDやらPLL_CFGやらの設定をDIPスイッチで変更出来る、とっても素敵なカードです。で、FSBを変えようとしたら、あれれ?、うまく変わらんぞ! んぢゃぁいつものように、ヤってみますか....
▼FSBを変更する
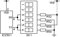
このZIFキャリアカードは、8MHzの水晶を元にして16〜50MHzの範囲でFSBを変えられます。使用するDIPはSW1の3〜6番。Clockを生成するIC「ICS501」のスペック(PDF直)と見比べると次のようになります。
| ICS501 | DIP(SW1) | FSB (MHz) |
|||||
| S0 | S1 | 倍率 | 3 | 4 | 5 | 6 | |
| M | M | x2 | off | off | off | off | 16 |
| M | 1 | x3 | off | off | on | off | 24 |
| 1 | M | x3.125 | on | off | off | off | 25 |
| 0 | 0 | x4 | off | on | off | on | 32 |
| 1 | 0 | x5 | on | off | off | on | 40 |
| M | 0 | x5.3125 | off | off | off | on | 42.5 |
| 0 | 1 | x6 | off | on | on | off | 48 |
| 0 | M | x6.25 | off | on | off | off | 50 |
| 1 | 1 | x8 | on | off | on | off | 64 |



|
BusClock
|
ID1 (SW1_1) | ID2 (SW2_6) |
備考
|
|
-33MHz
|
on
|
off
|
|
| 34-40MHz |
on
|
on
|
|
| 41-44MHz |
off
|
on
|
初期値 |
| 45-50MHz |
off
|
off
|
▼PLL_CFGを変更する
このカードに載せたZIFはSonnet EncoreG4/400なので、カード上のDIPの設定(SW2の1〜4番)は意味を持ちません。ですから試してません。
ちなみにEncoreG4/400は、FSBが50MHzでもちゃぁんと400MHzで動くんですね。すごいすごーい。さらにちなみに以前ヤった450MHz改造の状態にすると、ちゃぁんと450MHzで動きます。すごいすごーい。